- Opis
-
UNIFON ACO INS-UP 2 PRZYCISKI, DODATKOWY FUNKCYJNY, MAGNETYCZNE ODKŁADANIE SŁUCHAWKI

NAJWAŻNIEJSZE CECHY
- PRODUKT POLSKI
- unifon cyfrowy
- 2 przyciski ( otwieranie , funkcyjny)
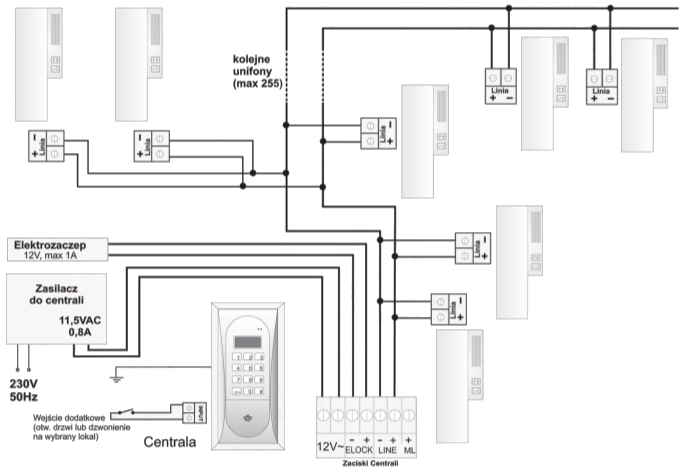
- 2-żyłowa instalacja
- trzy-stopniowa regulacja głośności
PRZEZNACZENIE
Unifon serii INSPIRO przeznaczony jest do współpracy ze wszystkimi cyfrowymi systemami ACO takimi jak CDN, INSPIRO i familio.

OPIS PRODUKTU
Niewielki rozmiar, nowoczesny wygląd oraz wygodny, magnetyczny mechanizm odkładania słuchawki zapewniają, że ten unifon doskonale pasuje do wnętrza nowoczesnych mieszkań a przy tym jest jest praktyczny w użytkowaniu.
Opcjonalny dodatkowy moduł I/O

Jeśli zajdzie taka potrzeba, do zestawu można dołączyć dodatkowy moduł I/O, który daje możliwość otwierania bramy wjazdowej przyciskiem następujących unifonów:
- INS-UP
- INS-UP720MR
Więcej informacji pod linkiem: ACO CDN-I/O Moduł przekaźnikowy dodatkowych wejść i wyjść do CDNP lub INSPIRO
Moduł nie wchodzi w skład zestawu domofonowego
WYMIARY UNIFONU

PRZYKŁADOWY SCHEMAT PODŁĄCZENIA

W SKŁAD ZESTAWU WCHODZI
- ACO INS-UP UNIFON (nr kat. 9316)
- Gwarancja
- Paragon fiskalny lub faktura VAT
- Najważniejsze cechy
-
Informacje dodatkowe
Numer katalogowy 9316 Producent ACO Model INS-UP Rodzaj montażu kasety zew. Nie Wersja domofonu Nie Typ unifonu słuchawkowy Obsługa kilku wejść Nie Materiał wykonania Nie Natężenie zasilana Nie Napięcie zasilania urządzenia Nie Typ melodii wywołania Nie Obsługa bramy wjazdowej Nie Funkcja interkomu Nie Funkcje dodatkowe urządzenia Nie Temp. zakres pracy urządzenia Nie Regulacja głośności wywołania Nie Regulacja głośności rozmowy Nie Pobór prądu (praca / czuwanie) Nie Rozmiar puszki pod tynk Nie Wymiary unifonu 200 x 81 x 39 mm Ilość przewodów panel zewnętrzny unifon Nie Wymiary panelu zew. Nie Max. ilość unifonów Nie Gwarancja 24 miesiące Ilość włókien brak danych Typ włókna brak danych Rodzaj włókna brak danych Link do strony producenta brak danych - Recenzje
-
Recenzje klientów
Opinia „ACO INS-UP UNIFON – 2 przyciski, dodatkowy funkcyjny, magnetyczne odkładanie słuchawki”
- Tagi produktu
-
Tagi produktu
Użyj spacji aby rozdzielić tagi, apostrofów (’) aby wpisać frazy.
- Pliki do pobrania
-
Pliki do pobrania
Karta katalogowa
Powiązane
-
ACO FAM-P-2NPZS NT Panel na tynk 2-lokator, zamek szy.
Netto Brutto 469,00 zł 576,87 zł ACO CDNP6ACC ST CENTRALA DOMOFONOWA grzałka LCD. RFID MASTER
Netto Brutto 466,46 zł 573,74 zł ACO FAM-P-1NP NT Panel na tynk 1-lokator
Netto Brutto 349,59 zł 430,00 zł

Zostań instalatorem Bezpieczny+


Kamery IP Kenik – zobacz więcej

Szafy rackowe GetFort – profesjonalna jakość w dobrej cenie


